Serie MDA
Mini-Differenzdruckschalter für HLK-Anwendungen
Die Serie MDA ist ein besonders kompakter Differenzdruckschalter für HLK-Systeme und OEM-Anwendungen. Der Schalter reagiert zuverlässig auf kleine Druckänderungen.
Produktabbildungen
Standardansicht
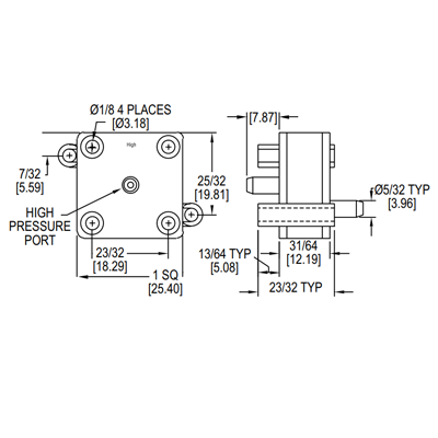
Abmessungen
Vorteile / Eigenschaften
- Extrem kleine Bauform
- Schaltpunkt werkseitig eingestellt
- Kein Stromanschluss erforderlich
- SPST-Ausgang
Typische Anwendungen
- Luftstromüberwachung
- Filterkontrolle
- OEM-HLK-Systeme
Technische Daten
| Schaltpunkt | Werkseitig fixiert, modellabhängig |
|---|---|
| Ausgang | SPST |
| Gehäuse | ABS-Kunststoff |
| Temperaturbereich | -25 bis +65 °C |
| Medien | Luft, nichtaggressive Gase |