Serie 1831
Industrie-Differenzdruckschalter mit Aluminiumgehäuse
Die Serie 1831 bietet einen robusten mechanischen Differenzdruckschalter mit verstellbarem Schaltpunkt. Ideal für industrielle Anwendungen mit höheren Drücken.
Produktabbildungen
Standardansicht
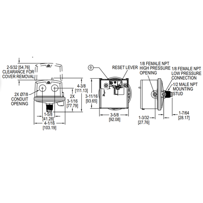
Abmessungen
Vorteile / Eigenschaften
- Hohe Druckfestigkeit
- Einstellbarer Schaltpunkt
- SPDT-Schaltkontakt
- Robustes Aluminiumgehäuse
Typische Anwendungen
- Prozessüberwachung
- Filter- und Gebläseüberwachung
- Industrielle Druckregelung
Technische Daten
| Druckbereich | Bis zu 10 bar (modellabhängig) |
|---|---|
| Ausgang | SPDT |
| Temperaturbereich | -7 bis +85 °C |
| Gehäuse | Aluminium-Druckguss |
| Medien | Luft und Gase |
Zubehör
| Modell | Beschreibung |
|---|---|
| A-601 | Feinfilter-Set |
| A-625 | Befestigungsklammer |