Serie 616W
Wandmontierter Differenzdrucktransmitter
Die Serie 616W ist ein kompakter Differenzdrucktransmitter für Wandmontage mit analogem Ausgang und hoher Genauigkeit.
Produktabbildungen
Standardansicht
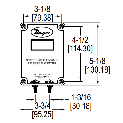
Abmessungen
Vorteile / Eigenschaften
- Einfache Wandmontage
- Hohe Messgenauigkeit
- Analogausgang: 0–10 V oder 4–20 mA
- Stabile Langzeitperformance
Typische Anwendungen
- HLK-Systeme
- Gebäudeautomation
- Reinraumüberwachung
Technische Daten
| Ausgang | 0–10 V oder 4–20 mA |
|---|---|
| Versorgungsspannung | 10–35 VDC |
| Messbereich | modellabhängig |
| Prozessanschlüsse | 1/8" NPT |
| Temperaturbereich | 0 bis +60 °C |