Serie 616D
Hutschienen-Differenzdrucktransmitter
Die Serie 616D ist für die Montage auf Hutschienen vorgesehen. Ideal für platzsparende Installationen in Schaltschränken.
Produktabbildungen
Standardansicht
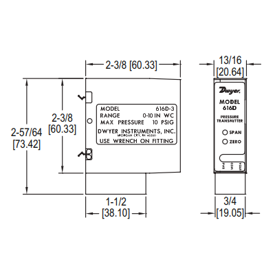
Abmessungen
Vorteile / Eigenschaften
- Kompakte Bauweise
- DIN-Hutschienenmontage
- Mehrere Ausgangssignale wählbar
- Statusanzeige per LED
Typische Anwendungen
- Gebäudeautomation
- HLK-Systeme
- Zentrale Steuerungen
Technische Daten
| Montage | DIN-Schiene 35 mm |
|---|---|
| Ausgänge | 0–10 V, 4–20 mA |
| Versorgung | 24 VDC |
| Gehäuse | IP30, Kunststoff |
| Temperaturbereich | 0 bis +50 °C |
Zubehör
| Modell | Beschreibung |
|---|---|
| A-601 | Montagesatz für DIN-Schiene |
| A-435 | Druckanschlussadapter |