Serie RPMC
Raumdruckmonitor für Reinräume
Der RPMC-Monitor vereint Druckanzeige, Alarmausgang und Netzwerkfähigkeit für kritische Raumumgebungen.
Produktabbildungen
Standardansicht
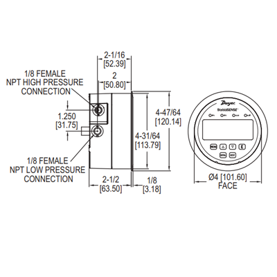
Abmessungen
Vorteile / Eigenschaften
- Permanente Druckanzeige
- Vernetzbar via BACnet oder Modbus
- Optionale Temperatur- und Feuchtesensoren
- Integrierte Alarme
Typische Anwendungen
- Krankenhäuser
- Pharmazeutische Produktion
- Isolierstationen
Technische Daten
| Anzeige | Digitale Druckanzeige |
|---|---|
| Kommunikation | BACnet / Modbus |
| Versorgung | 24 VDC |
| Sensoren | optional |
| Montage | Wandmontage |
Zubehör
| Modell | Beschreibung |
|---|---|
| A-720 | Alarmsummer |
| A-600 | Kalibrieranschluss |