Serie DPG
Digitales Druckmessgerät mit Hintergrundbeleuchtung
Das digitale Druckmessgerät DPG vereint hohe Genauigkeit mit robuster Bauweise. Die Geräte sind batteriebetrieben, verfügen über eine automatische Abschaltung und bieten vielfältige Funktionen.
Produktabbildungen
Standardansicht
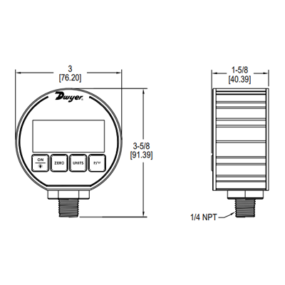
Abmessungen
Vorteile / Eigenschaften
- ±0,25 % oder ±0,5 % Genauigkeit
- Beleuchtetes LCD-Display für klare Anzeige
- Tasten für Nullpunkt, Spitzenwert, Maßeinheit
- Batteriebetrieb mit bis zu 2000 h Laufzeit
Typische Anwendungen
- Prozessanwendungen
- Austausch analoger Manometer
- OEM-Einsatz
Technische Daten
| Medien | Flüssigkeiten und Gase |
|---|---|
| Messsystem | 316L Edelstahl |
| Gehäuse | Polycarbonat und eloxiertes Aluminium |
| Genauigkeit | ±0,25 % / ±0,5 % FS |
| Anschluss | 1/4" NPT außen |
| Versorgung | 2× AAA-Batterien |
| Anzeige | 4-stelliges LCD mit Hintergrundbeleuchtung |
| Schutzklasse | IP66 |
| Gewicht | 275 g |
Zubehör
| Modell | Beschreibung |
|---|---|
| A-183 | Gummischutzhülle |
| A-184 | Transportkoffer |