Serie DSGT
Digitaler Drucktransmitter mit Anzeige und Schaltfunktion
Der DSGT ist ein digitaler Transmitter mit integrierter Anzeige und optionalen Schaltausgängen. Das robuste Gehäuse eignet sich ideal für industrielle Anwendungen im Außenbereich.
Produktabbildungen
Standardansicht
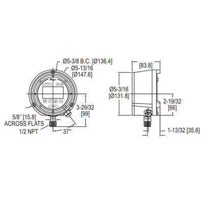
Abmessungen
Vorteile / Eigenschaften
- All-in-one: Anzeige, Transmitter, Schalter
- 0,25 % FS Genauigkeit
- Menügeführt mit wählbaren Einheiten
- Robustes IP56-Gehäuse aus verstärktem Kunststoff
Typische Anwendungen
- Prozessindustrie
- Außenanwendungen
- Kompressoren
- OEM
Technische Daten
| Medien | Nicht brennbare Flüssigkeiten und Gase |
|---|---|
| Sensor | 17-4 Edelstahl, 316 Edelstahl Anschluss |
| Anschluss | 1/2" NPT |
| Versorgung | 12–36 VDC |
| Anzeige | 5-stellig, 0,88" hoch |
| Signal | 4–20 mA |
| Schutzklasse | IP56 |
| Temperaturbereich | -10 bis 60 °C |
| Gewicht | 0,66 kg |