Serie MAFS
Messlanze zur präzisen Luftstrommessung
Die Serie MAFS ist eine kompakte Messlanze mit mehreren Öffnungen zur gleichzeitigen Erfassung von Total- und statischem Druck. Die integrierten Kanäle leiten die Drücke getrennt über zwei Schlauchanschlüsse aus. Ideal zur dauerhaften oder temporären Installation in Lüftungskanälen.
Produktabbildungen
Multipunkt-Staudrucklanze
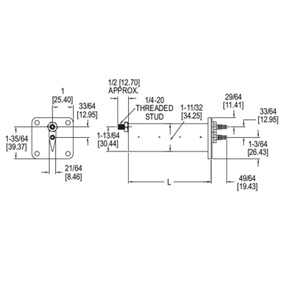
Abmessungen
Vorteile / Eigenschaften
- Hohe Genauigkeit durch Mittelwertbildung
- Messung von Total- und statischem Druck
- Robuste Konstruktion für HLK-Anwendungen
Typische Anwendungen
- Luftvolumenstrommessung im Kanal
- Überwachung von Luftgeschwindigkeit
Technische Daten
| Material | Aluminium |
|---|---|
| Längen | verschiedene auf Anfrage |
| Anschluss | Schläuche über Doppelnippel |