Modell DAFA
Windfahnenrelais für Luftströmungserkennung
Das Modell DAFA erkennt mittels Windfahne geringe Luftströmungen in Lüftungskanälen. Ab einer definierten Strömungsgeschwindigkeit wird über einen Magnetschalter ein potentialfreier Kontakt ausgelöst. Das Gerät arbeitet rein mechanisch und benötigt keine externe Versorgungsspannung.
Produktabbildungen
Mechanische Windfahne zur Strömungserkennung
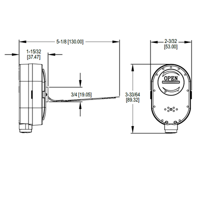
Abmessungen
Vorteile / Eigenschaften
- Strömungserkennung ohne Stromversorgung
- Mechanische Schaltfunktion
- Leicht einstellbare Ansprechschwelle
Typische Anwendungen
- Lüfterüberwachung
- Strömungsüberwachung in Kanälen
Technische Daten
| Schaltkontakt | Reed-Relais, potentialfrei |
|---|---|
| Ansprechgeschwindigkeit | ca. 1–2 m/s |
| Material | Aluminium, Kunststoff |