Serie DR
Direktablesbare Glas-Schwebekörper-Durchflussmesser mit Wechselröhrchen
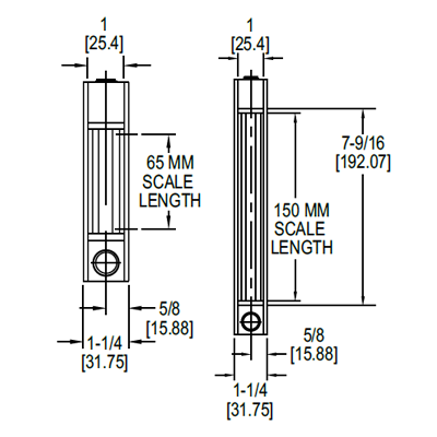
Die Serie DR bietet direktablesbare Glas-Durchflussmesser für Luft, Wasser und andere gängige Gase. Die Geräte verwenden Borosilikatglasröhrchen mit 65 oder 150 mm Skalenlänge und präzise aufgedruckter Direktableseskala. Modelle mit oder ohne Nadelventil sind verfügbar, wahlweise mit Endstücken aus Aluminium oder Edelstahl. Der Schutzschild aus Polycarbonat dient gleichzeitig als Vergrößerungslinse zur verbesserten Lesbarkeit.
Produktabbildungen
Standardansicht
Abmessungen
Vorteile / Eigenschaften
- Keine Umrechnungstabellen erforderlich dank direktablesbarer Skala
- Keramisch eingebrannte Skala mit 1,5x Vergrößerungslinse gegen Parallaxefehler
- Schutzschild und Rückblassicherung für hohe Sicherheit
- Optional mit 6-Gang-Nadelventil zur Durchflussregelung
- NIST-kalibrierbare Modelle erhältlich
Typische Anwendungen
- Gasmessung und -dosierung
- Wasserqualitätsanalyse
- Laborprozesse
- Halbleitertechnik
- Chemie- und Papierindustrie
Technische Daten
| Medien | Kompatible Gase oder Flüssigkeiten |
|---|---|
| Materialien | Borosilikatglas, Edelstahl 316, PTFE, Aluminium (eloxiert), Fluorelastomer (modellabhängig) |
| Temperaturgrenze | bis 121°C |
| Druckgrenze | 17 bar |
| Genauigkeit | ±5% FS @ 21°C und 1 atm |
| Wiederholgenauigkeit | ±0,25% |
| Skalenlänge | 65 mm oder 150 mm Direktableseskala |
| Anschluss | 1/8" NPT Innengewinde |
| Ventiloption | 6-Gang-Nadelventil (optional) |
| Montage | Vertikal |
Zubehör
| Modell | Beschreibung |
|---|---|
| NISTCAL-FL1 | NIST-Kalibrierzertifikat für Luft-Durchflussmesser |
| NISTCAL-FL2 | NIST-Kalibrierzertifikat für Wasser-Durchflussmesser |