Serie VFLO
Venturi-Durchflussmesser mit Magnehelic-Differenzdruckanzeige
Die Serie VFLO kombiniert einen Venturi-Durchflussmesser mit einem Magnehelic®-Differenzdruckmanometer zur einfachen, direkten Anzeige von LuftdurchflĂĽssen. Durch das stufenlos konisch geformte Venturi-Gehäuse werden Druckverluste minimiert und eine gleichmäßige Strömung erzeugt. Die Montage ist sowohl horizontal als auch vertikal möglich. Eine Doppelskala zeigt den Differenzdruck in Zoll Wassersäule (in w.c.) sowie den Durchfluss in SCFM an.
Produktabbildungen
Standardansicht
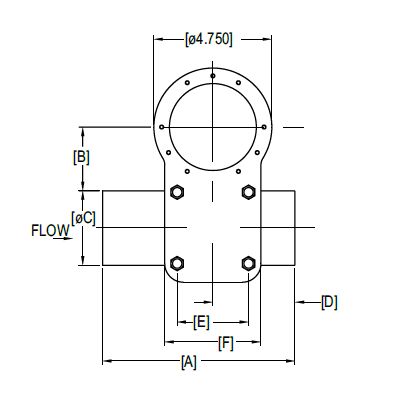
Abmessungen
Vorteile / Eigenschaften
- Geringe Druckverluste durch Venturi-Profil
- Großes, klares Zifferblatt mit Doppelskala (in w.c. / SCFM)
- Schnelle Reaktion bei Druckänderung
- Widerstandsfähiges Geäuse, lange Lebensdauer
- Werkskalibrierung fĂĽr Standardbedingungen
Typische Anwendungen
- Filter- und Gebläseüberwachung
- Luftgeschwindigkeitsmessung mit Pitot-Rohr
- Druckanzeige in Räumen oder Kanälen
- Luftstromanzeige in Reinräumen
Technische Daten
| Medien | Luft und nicht brennbare, kompatible Gase |
|---|---|
| Materialien | Aluminium, Edelstahl, Messing, Polycarbonat, Acryl, PTFE, Gummi, Dichtmittel |
| Temperaturbereich | -6,7 bis 60°C |
| Druckgrenze | 1,03 bar (Standard), 2,41 bar mit MP-Option |
| Ă?berdruckschutz | Reliefventil bei ca. 1,72 bar |
| Genauigkeit | ±2,5% FS |
| Skala | Doppelskala: SCFM und Zoll Wassersäule (in w.c.) |
| Montage | Vertikal (Standard), andere auf Anfrage |
| Prozessanschluss | Innengewinde NPT, entsprechend Nennweite |
Zubehör
| Modell | Beschreibung |
|---|---|
| MVB-TM1 | Mini-Messingventil mit T-Griff, 1/8" M x 1/8" FNPT |
| MVB-WM1 | Mini-Messing-Kugelhahn mit Keilgriff, 1/8" M x 1/8" FNPT |