Serie F7-LPP
Vertikaler Miniatur-Füllstandschalter aus Polypropylen
Der Füllstandschalter Modell F7-LPP bietet eine einfache und kosteneffiziente Lösung zur Pegelkontrolle in Behältern. Dank des robusten und chemikalienbeständigen Polypropylengehäuses eignet sich das Gerät für eine Vielzahl von Anwendungen in der Wasser-, Chemie- oder Lebensmitteltechnik. Der hermetisch vergossene Reedkontakt wird durch einen umkehrbaren Schwimmer aktiviert, der eine flexible Schaltlogik (NO/NC) ermöglicht.
Produktabbildungen
Standardansicht
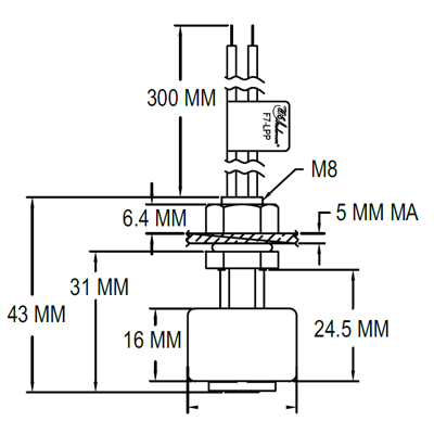
Abmessungen
Vorteile / Eigenschaften
- Schnelle Inbetriebnahme durch einfache Montage
- Langlebig dank hermetisch versiegeltem Reedkontakt
- Reedkontakt mit umkehrbarer Schaltfunktion (NO/NC)
- Hohe chemische Beständigkeit
- Geeignet für Anwendungen mit hoher Stromstärke
Typische Anwendungen
- Wasserstandskontrolle
- Ölstandregelung
- Chemikalienbehälter
- Schächte und Standrohre
- Hochviskose Medien
Technische Daten
| Messmedien | Kompatible Flüssigkeiten |
|---|---|
| Benetzte Materialien | Schwimmer und Stab: Polypropylen, O-Ring: Silikon |
| Temperaturbereich | -20 bis 80 °C |
| Druckgrenze | 5 bar |
| Gehäuseschutz | IP67 |
| Schaltertyp | SPST, werkseitig NO, umkehrbar auf NC |
| Elektrische Leistung | 140 VAC / 200 VDC, max. 1,2 A |
| Elektrischer Anschluss | 24 AWG, 30 cm Leitungslänge |
| Prozessanschluss | M8 Gewinde mit Mutter |
| Schwimmerdichte | 0,67 |
| Spez. Gewicht | 0,8 |
| Gewicht | 11 g |