Serie F7-MS
Multi-Station-Füllstandschalter mit bis zu sechs Schaltpunkten
Die Füllstandschalter der Serie F7-MS bieten eine kundenspezifisch konfigurierbare Lösung zur mehrstufigen Niveauregulierung. Mit bis zu sechs Schaltpunkten und einer Stablänge von bis zu 3,56 m eignet sich das System für die Pegelüberwachung in großen Tanks und industriellen Behältern. Die Serie unterstützt mehrere Schwimmertypen aus Edelstahl oder Buna-N sowie unterschiedliche Anschlussarten.
Produktabbildungen
Standardansicht
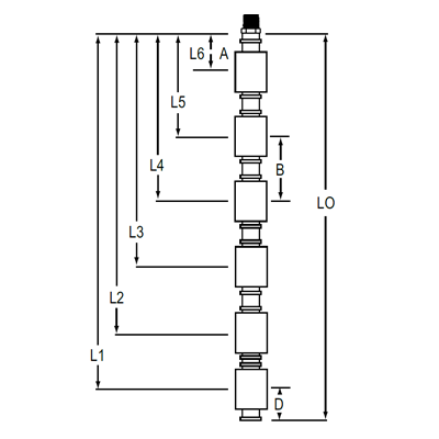
Abmessungen
Vorteile / Eigenschaften
- Bis zu sechs individuell konfigurierbare Schaltpunkte
- Stablänge bis zu 3,56 m
- Materialwahl: Edelstahl oder Messing
- Robuste Ausführung für turbulente oder kontaminierte Medien
- Unterstützt auch größere Schwimmer mit hoher Auftriebskraft
Typische Anwendungen
- Wasserstandskontrolle
- Ölstandregelung
- Füllstandskontrolle in Großbehältern
- Dieseltanks und Kraftstoffsysteme
Technische Daten
| Messmedien | Kompatible Flüssigkeiten |
|---|---|
| Materialien | Stab, Anschluss und Schwimmer: Edelstahl oder Messing |
| Temperaturbereich | Buna-N: bis 82 °C (Wasser), bis 110 °C (Öl); Edelstahl: bis 149 °C |
| Elektrischer Anschluss | 61 cm Anschlussleitung; #22 AWG TFE, #18 AWG polymerisch |
| Montagerichtung | Vertikal ±30° |
| Schaltertyp | SPST oder SPDT |
| Schaltleistung |
SPST Typ 1: 0,17 A @ 120 VAC, 0,13 A @ 120 VDC SPST Typ 2: 0,8 A @ 120 VAC SPDT Typ 3: 0,17 A @ 120 VAC, 0,13 A @ 120 VDC |
| Prozessanschluss | 1/2", 1-1/4", 2" NPT oder 3" 150# Flansch (Stahl oder Edelstahl) |
| Maximale Länge | Je nach Anschluss bis 3,56 m |
| Schwimmermaterialien | Buna-N oder Edelstahl 316 |
| Maximaler Druck | Buna-N: 10,3 bar; Edelstahl: bis 51,7 bar |