Serie 123 & 125
Miniatur-Füllstandwächter für industrielle Anwendungen
Die Füllstandswächter der Serien 123 und 125 eignen sich zur Füllstandserfassung in Behältern mit Wasser, Öl oder anderen kompatiblen Flüssigkeiten. Der Reedkontakt ist hermetisch abgedichtet und wird durch einen Schwimmer aktiviert, der je nach Einbaulage eine Öffner- oder Schließerfunktion auslöst. Die Modelle unterscheiden sich im Material: Die Serie 123 besteht aus Messing, die Serie 125 aus Edelstahl 316.
Produktabbildungen
Standardansicht
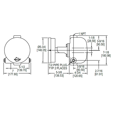
Abmessungen
Vorteile / Eigenschaften
- Kompakte Bauform für kleine Behälter
- Hermetisch abgedichteter Reedkontakt
- Je nach Einbaulage als Öffner oder Schließer einsetzbar
- Wartungsfrei und langlebig
- Wahlweise aus Messing oder Edelstahl 316
Typische Anwendungen
- Kondensatbehälter
- Hydrauliksysteme
- Verpackungsmaschinen
- Kleinbehälter in Industrieanlagen
Technische Daten
| Messmedien | Wasser, Öl, nicht aggressive Flüssigkeiten |
|---|---|
| Material Serie 123 | Messing |
| Material Serie 125 | Edelstahl 316 |
| Max. Temperatur | 100 °C |
| Max. Druck | 10 bar |
| Schaltertyp | SPST Reedkontakt |
| Schaltleistung | 20 VA, max. 1 A |
| Prozessanschluss | 1/8" NPT |
| Elektrischer Anschluss | 0,5 m PVC-Leitung |
| Schalthysterese | 3 mm |