Serie CTF
Mini-Stimmgabel-Füllstandschalter für Pulver
Der Mini-Stimmgabel-Füllstandschalter der Serie CTF ist die ideale Wahl zur Füllstandskontrolle von Pulvern. Ein piezoelektrischer Kristall versetzt die Gabel in ihre Eigenfrequenz. Bei Kontakt mit Material wird die Schwingung gedämpft und der Schalter ändert seinen Zustand. Diese Serie bietet einen PNP- oder NPN-Ausgang.
Produktabbildungen
Standardansicht
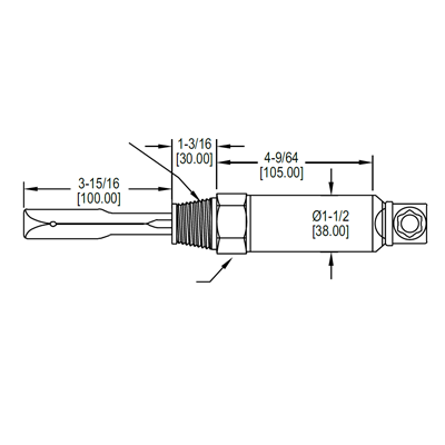
Abmessungen
Vorteile / Eigenschaften
- Kompakte Bauform mit DIN-Anschluss für beengte Einbauräume
- Keine mechanisch beweglichen Teile, wartungsfrei
- Unempfindlich gegenüber der Dielektrizitätskonstante des Mediums
- Ideal bei niedriger Schüttdichte, bei wechselnden Materialien oder Feuchtigkeitsgehalt
Typische Anwendungen
- Chemische Verfahren
- Zellstoff- und Papierverarbeitung
- Bergbau
- Lebensmittel- und Getränkeindustrie
Technische Daten
| Messmedien | Trockene Pulver, kompatibel mit benetzten Materialien |
|---|---|
| Empfindlichkeit | Min. Schüttdichte: 70 g/l |
| Benetzte Materialien | Gabel: 316L Edelstahl; Prozessanschluss: 304 Edelstahl |
| Temperaturbereich | Umgebung: -40 bis 60 °C; Prozess: -40 bis 100 °C |
| Druckgrenze | 40 bar |
| Versorgungsspannung | 12-55 VDC |
| Leistungsaufnahme | 10 mA @ 12-24 VDC; max. 0,5 W |
| Gehäuse | Aluminium, lackiert |
| Gehäuseschutz | IP65 |
| Schaltertyp | 3-Draht PNP oder NPN |
| Elektrische Belastung | Max. 350 mA @ 12-55 VDC |
| Anschluss | Ventilstecker DIN 43650 |
| Prozessanschluss | 1" NPT (männlich) |
| Anzeige | Externe rote LED |
| Ansprechverzögerung | Abgedeckt: 1-3 s; Unabgedeckt: 1-3 s |
| Gewicht | 1,0 kg |
| Zulassungen | CE |