Serie AN2
Alarmmelder mit Anzeige
Der Alarmmelder der Serie AN2 bietet sichtbare und akustische Alarme für bis zu acht Eingänge. Akustische Alarmzustände können über die Tasten an der Front oder über den Anschlussblock auf der Geräterückseite quittiert, zurückgesetzt oder stummgeschaltet werden. Das Gerät verfügt über zwei SPDT-Relaisausgänge, die zur Ansteuerung externer Alarme, Summer oder Paging-Geräte verwendet werden können.
Produktabbildungen
Standardansicht
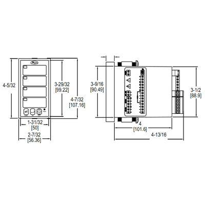
Abmessungen
Vorteile / Eigenschaften
- Integriertes 24-VDC-Netzteil zur Versorgung der meisten Schalter
- Einstellbar auf gängige ISA-Sequenzen
- NEMA 4X (IP66) Frontplatte
Anwendungen
- Wasser- und Abwasseranlagen
- Behälterstandüberwachung
- Temperaturüberwachung in Prozessen
Technische Daten
| Eingänge | NO- oder NC-Schalter, Open-Collector-Transistor (Leerlaufspannung = 3,3 VDC); Logikpegel: LO = 0–0,9 VDC, HI = 2,4–28 VDC (100 kΩ Eingangsimpedanz) |
|---|---|
| Ausgänge | Zwei SPDT-Relais (3 A @ 250 VAC oder 30 VDC, ohmsch; 1/14 HP @ 125/250 VAC, induktiv) |
| Temperaturbereich | -40 bis 65 °C |
| Versorgungsspannung | 85–265 VAC 50/60 Hz, 90–265 VDC; 12–36 VDC, 12–24 VAC (je nach Modell) |
| Leistungsaufnahme | 20 W (6 W bei Niederspannungsmodellen) |
| Montage | 1/8 DIN |
| Gehäusematerial | UL-zertifizierter Kunststoff, hohe Schlagfestigkeit |
| Schutzart | NEMA 4X (IP66) Frontplatte |
| Gewicht | 272 g |
| Normen | CE, UL |